Rufen Sie mich an
Inland:+86-18169817259
Übersee:+86-13790081902
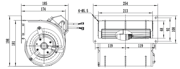
Material: Laufrad aus verzinkter Platte, Scroll gehäuse aus kühl gewalztem Stahlblech
Lager: Kugellager
Geschwindigkeit steuerung: Steuer eingang 0-5/10V oder PWM
Arbeits temperatur: -25 ~ 60 °C
Isolation klasse: F
Schutzklasse: IP54
Zulassungen: CCC, CE

Leistung:

Arbeitspunkt | Statischer Druck (Pa) | Luftstrom (m3/H) | Geschwindigkeit (r/min) | Leistung (W) |
1 | 80 | 750 | 2110 | 142 |
2 | 190 | 630 | 2460 | 142 |
3 | 250 | 550 | 2623 | 141 |
4 | 310 | 470 | 2800 | 141 |
5 | 400 | 380 | 3120 | 142 |
Fan-Modell | Motortyp | Spannung | Macht | Aktuell | Geschwindigkeit | Luftstrom | Lärm |
(V) | (W) | (A) | (R/min) | M3/H | Lp:dB(A) | ||
SF133A-D092A0-01 | EM092A | DC310 | 140 | 0,98 | 1900 | 850 | 68 |
SF133A-E092A3-01 | AC230 50/60Hz | 180 | 1.05 | 2150 | 980 | 69 |