Rufen Sie mich an
Inland:+86-18169817259
Übersee:+86-13790081902
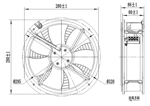
Material: Laufrad aus Kühl platte mit Elektro beschichtung, 7Lüfter Flügel, der Rahmen aus Aluminium legierung
Lager: Kugellager
Geschwindigkeit kontrolle: Shifts Taps (Mehrfach geschwindigkeit produkt)
Arbeits temperatur: -25 ~ 55 °C
Isolation klasse: F
Schutzklasse: IP44
Zulassungen: CCC, CE

Leistung:

Arbeitspunkt | Statischer Druck (Pa) | Luftstrom (m3/H) | Geschwindigkeit (r/min) | Leistung (W) |
1 | 30 | 1190 | 2580 | 115 |
2 | 40 | 1050 | 2560 | 111 |
3 | 45 | 760 | 2620 | 110 |
4 | 60 | 600 | 2560 | 120 |
Parameter: (Kann angepasst werden)
Fan-Modell | Motortyp | Spannung | Macht | Aktuell | Geschwindigkeit | Luftstrom | Lärm |
(V) | (W) | (A) | (R/min) | (M3/H) | Lp:dB(A) | ||
AG250A-A092C2-00 | AM092C2 | AC230/50Hz | 120 | 0,52 | 2600 | 1360 | 65 |