Rufen Sie mich an
Inland:+86-18169817259
Übersee:+86-13790081902
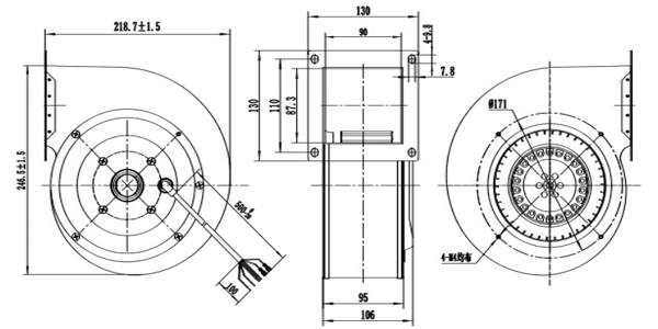
Material: Laufrad aus verzinkter Platte, Scroll gehäuse aus kühl gewalztem Stahlblech
Lager: Kugellager
Geschwindigkeit kontrolle: Shifts Taps (Mehrfach geschwindigkeit produkt)
Arbeits temperatur: -25 ~ 55 °C
Isolation klasse: F
Schutzklasse: IP44
Zulassungen: CCC, CE

Leistung:

Arbeitspunkt | Statischer Druck (Pa) | Luftstrom (m3/H) | Geschwindigkeit (r/min) | Leistung (W) |
1 | 150 | 450 | 1950 | 175 |
2 | 250 | 420 | 2150 | 165 |
3 | 400 | 360 | 2380 | 156 |
4 | 450 | 315 | 2480 | 145 |
Fan-Modell | Motortyp | Spannung | Macht | Aktuell | Geschwindigkeit | Luftstrom | Lärm |
(V) | (W) | (A) | (R/min) | (M3/H) | Lp:dB(A) | ||
DG160B-A092D2-00 | AM092D | AC230/50Hz | 185 | 0,85 | 1550 | 490 | 65 |