Rufen Sie mich an
Inland:+86-18169817259
Übersee:+86-13790081902
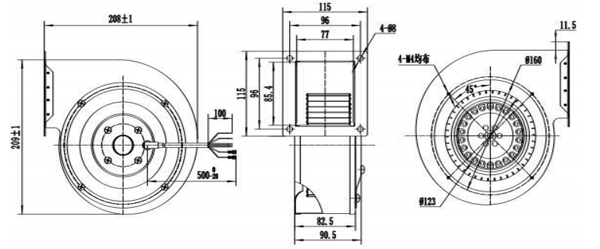
Material: Laufrad aus verzinkter Platte, Scroll gehäuse aus kühl gewalztem Stahlblech
Lager: Kugellager
Geschwindigkeit kontrolle: Shifts Taps (Mehrfach geschwindigkeit produkt)
Arbeits temperatur: -25 ~ 55 °C
Isolation klasse: F
Schutzklasse: IP44
Zulassungen: CCC, CE

Leistung:

Arbeitspunkt | Statischer Druck (Pa) | Luftstrom (m3/H) | Geschwindigkeit (r/min) | Leistung (W) |
1 | 95 | 280 | 1900 | 99 |
2 | 185 | 250 | 2100 | 90 |
3 | 270 | 215 | 2400 | 80 |
Fan-Modell | Motortyp | Spannung | Macht | Aktuell | Geschwindigkeit | Luftstrom | Lärm |
(V) | (W) | (A) | (R/min) | (M3/H) | Lp:dB(A) | ||
DG140B-A092C2-01 | AM092C | AC230/50Hz | 115 | 0,52 | 1700 | 320 | 65 |